牛蛙神经肌肉相关实验
点击下载 [相关资源]
本篇下载资源为本实验优秀实验报告示例。
目录
实验原理与基础知识
一. 基础知识:神经与肌肉的电活动
1. 电生理基础:细胞水平上的动作电位
生物体内的细胞膜两侧经常存在一定的电势差,这一电势差本身称为膜电位,一般定义为膜内电势与膜外电势之差。在许多类型的细胞,例如神经元与骨骼肌细胞当中,当细胞未受到刺激,亦即细胞处于静息状态下时,细胞的膜电位将处于一个相对稳定的值,通常膜内侧电势较膜外侧更低,这个膜电位值被称为静息电位;而当细胞受到刺激,如神经元接收到其他神经元的信号,或肌肉接收到运动神经元的信号时,如果刺激强度达到一定阈值,细胞的膜电位将产生一次快速、大幅的先升后降的变化,这种变化被称为动作电位,它是包括神经与肌肉在内的可兴奋组织传导电信号的基本单位。
单个神经或肌肉细胞的动作电位至少包括一个峰电位与一个后电位,其中峰电位由上升支(去极化期)与下降支(复极化期)组成。通常,兴奋性的刺激可使膜电位升高(称为去极化),膜电位超过一定阈值后即可爆发动作电位。在动作电位的上升支,细胞膜表面转运钠离子的离子通道大量、迅速开放,使钠离子顺浓度梯度扩散入胞、产生内向电流,导致膜电位迅速上升,甚至可从原先的负值上升为正值。随后,钠离子通道迅速失活关闭,转运钾离子的通道转而开放,使钾离子顺浓度梯度扩散出胞、产生外向电流,导致膜电位下降(称为复极化),甚至可达到比静息电位更低的水平(此时膜的状态称为超极化),进而产生动作电位的下降支。一次峰电位过后,膜电位常可低于静息电位的水平,此时需要细胞膜上的转运体、离子泵(包括钠钾泵)的运作,将钠钾离子的浓度梯度和膜电位均恢复至峰电位前的水平,这一过程相对较慢,因而产生了上升较缓的后电位。

动作电位具有全或无的性质:在其他条件一定的情况下,如果刺激未能让膜电位超过阈值,则一定无法触发动作电位;如果刺激使膜电位超过了阈值,则无论刺激大小,动作电位的形态与振幅均不会改变,增加刺激也不会使动作电位的振幅或时程改变。刚好足以使膜电位超过阈值而触发动作电位的刺激被称为阈刺激。
细胞产生一次动作电位期间及之后,细胞膜的兴奋性将会发生变化。一个动作电位起始后一定时间内,再次施加任何强度的刺激都无法诱发第二个动作电位,这段时间称为绝对不应期;在绝对不应期结束后的一定时间内,需要给予比阈刺激强度更高的刺激(即阈上刺激)才能诱发第二个动作电位,这段时间称为相对不应期。绝对不应期和相对不应期的总和即为细胞的不应期。不应期导致动作电位不会发生显著的融合或重叠,其具体长度受多种环境以及细胞内禀的因素影响,是可兴奋细胞电生理特性的重要指标。
2. 组织水平:神经干动作电位
动物体内宏观可见的神经干由多条神经纤维(即神经元的轴突)组成,其中每条神经纤维都具有自己的兴奋阈值与不应期,产生的动作电位都遵循上述的全或无原则。然而研究整条神经干时,记录到的电活动便不再是单个神经纤维的活动,而是所有神经纤维电活动的总和;因此,神经干动作电位将不再严格遵循全或无原则,在一定范围内振幅随刺激的增强而增大,直至刺激强度大到可以同时使所有神经纤维兴奋之后,再增加刺激强度才不会使动作电位振幅继续上升。
通过本实验采取的记录方法记录出的神经干动作电位是双向的,具有一个正向波与一个负向波。结合动作电位的形成原理,想一想为什么会是双向波?

此外显然,动作电位可在神经干上传导,传导速度随环境条件(如环境温度、离子组分)和神经性质(如神经纤维的直径以及有无髓鞘)而不同。髓鞘可极大地增加传导速度,同直径下有髓神经纤维的传导速度较无髓神经纤维快得多;而在无髓神经纤维中,直径较大者传导速度也较快。在条件合适的情况下,蛙类神经纤维的传导速度通常在35-40m/s左右。
3. 肌肉生理:电兴奋与机械收缩
骨骼肌也是可兴奋组织,其特殊之处在于电活动可诱发骨骼肌的机械收缩。当骨骼肌接收单次短促的阈上刺激时,骨骼肌产生一次动作电位,迅速进行一次收缩活动,称为一个单收缩。一次单收缩通常在记录中表现为一个短促的峰,分为潜伏期、收缩期和舒张期三个时期:潜伏期间,肌肉已经受到刺激,但收缩还未发生,也还不能记录到机械力;收缩期间,肌肉开始收缩,张力迅速上升;舒张期间,肌肉开始舒张,张力快速回落,完成一次单收缩。
宏观可见的骨骼肌组织由许多肌纤维组成,其收缩也具有与神经干动作电位类似的“总和”性质:在一定范围内,肌肉产生收缩的幅度随刺激强度的增加而增大,直至所有肌纤维都被兴奋并产生最大张力。

值得注意的是,一次单收缩所耗费的时间较长,远远长于骨骼肌单次动作电位的时长(2-4ms)。因此,当骨骼肌连续受到两个或更多个间隔较近的阈上刺激时,骨骼肌的收缩曲线可出现融合,亦即出现了强直收缩:如果刺激间隔相对较远,后一次刺激引发的收缩将落入前一次收缩的舒张期内,收缩曲线呈锯齿状,称为不完全强直收缩;如果刺激间隔较近,后一次刺激所引起的收缩将发生在前一次收缩的收缩期内,各收缩不能分开,肌肉维持持续的收缩状态,称为完全强直收缩。事实上,在动物体内,为了维持姿态、做出动作、调整动作,骨骼肌通常都具有一定张力,不会处于完全的舒张状态,因而多数骨骼肌的“通常状态”就是强直收缩的状态。

实验目的
- 学习破坏牛蛙脑和脊髓的方法(安死术)
- 掌握制备牛蛙坐骨神经-腓肠肌标本的实验技术
- 掌握离体神经干动作电位的细胞外记录法及其基本波形的判断和测量
- 掌握坐骨神经干兴奋性的特点
- 了解肌肉收缩过程的时相变化
- 通过对支配肌肉收缩的神经进行刺激,观察刺激强度和频率对骨骼肌收缩形式的影响
实验对象与器材
- 牛蛙:学名Lithobates catesbeiana,属于两栖纲,无尾目,蛙科。
- 蛙类手术器械(探针、金冠剪、手术剪、手术镊、眼科剪、玻璃分针、蛙钉、纱布、医用缝合线),蜡盘,平皿或小烧杯,塑料滴管,锌铜弓,大烧杯(废物缸),任氏液(成分见下)
- RM6240E型多道生理信号采集处理系统(人体机能实验系统),屏蔽盒,张力换能器,刺激线,大头针,双凹夹


关键实验技术
- 常用手术器械的正确使用
- 牛蛙坐骨神经分离技术
- 持钳打结法
- 生物信号采集处理系统及其软件的使用
实验1 牛蛙坐骨神经-腓肠肌标本的制备
一. 双毁髓术处死牛蛙
左手握牛蛙,用食指下压头部前端使头前俯。右手持探针由头背侧前端沿正中线向脊柱端触划,当触到位于两个鼓膜之间凹陷处即枕骨大孔处时,将探针垂直插入,左右摇动,切断脑和脊髓的联系,然后将探针向前刺入颅腔内,将探针左右摇动、旋转,捣毁脑组织。制成脊蛙。随后将探针退回枕骨大孔,沿与脊椎骨平行的方向向后刺入脊椎,不断捻动探针,使之刺入整个椎管内,彻底捣毁脊髓。
动物死亡的标志是:形体对称、肌肉松弛、四肢瘫软、呼吸消失。
此操作对初学者而言略有难度,请保持耐心,多次尝试,并在毁髓后检查动物状态(特别是四肢肌张力),确保毁髓彻底,否则可能影响后续手术操作。
二. 下肢标本的制备
整个过程中应随时用任氏液润湿神经,避免神经干燥,损失活性。需要触碰神经时请使用玻璃分针,尽量不要使用金属器具。如果不慎使金属器具接触神经,应及时用任氏液洗涤。
-
剪去躯干上部及内脏
从耻骨联合开始向腹腔左右两侧剪开皮肤和肌肉直至两前肢后侧。轻轻提起耻骨联合处的内脏,小心剪开,可看到位于腰骶段的坐骨神经丛。轻轻提起牛蛙后肢,使其头与内脏自然下垂,在脊柱胸段用金冠剪剪断脊柱,并剪断两侧的皮肤和肌肉。将头、前肢、内脏及腹部软组织全部剪除,放于动物尸体污物盘,只保留下端脊柱和后肢。在腹侧脊柱两旁可看到腰骶神经丛。注意切勿触及或损伤坐骨神经。
-
剥后肢皮肤
用一只手拇指和食指第一指节夹住脊柱断端,另一只手捏住断端皮肤边缘,剥掉全部后肢皮肤。将手和手术器械洗净。
牛蛙皮肤较滑,且有时黏附较紧,需要攥紧肢体用力方能将皮完全剥除。活体组织韧性很强,不需要因为担心损伤后肢而用力过小。
-
分离两腿
用金冠剪沿耻骨联合正中央剪开两侧大腿,剪去尾骨杆(骶骨),沿脊椎中线将脊柱剪开,使两腿完全分离(切勿伤及神经),将两腿浸于任氏液中。
三. 坐骨神经与腓肠肌的分离
整个过程中应随时用任氏液润湿神经,避免神经干燥,损失活性。需要触碰神经时请使用玻璃分针,尽量不要使用金属器具。如果不慎使金属器具接触神经,应及时用任氏液洗涤。
-
游离坐骨神经
取一后肢,腹面向上(背位)固定于蜡盘上,沿脊柱侧用玻璃分针轻轻勾起坐骨神经,逐一剪去神经分支至股端。用金冠剪剪断脊柱,只保留一小段椎骨片与坐骨神经相连。也可在坐骨神经的脊椎骨穿出部位附近结扎后紧贴脊椎骨剪断。◦ 将标本改为背面向上(腹位)固定,用镊子提起梨状肌,剪断,沿坐骨神经沟(半膜肌和股二头肌的肌间缝)分离坐骨神经。用镊子夹住与神经相连的脊椎骨,提起神经,用眼科剪将神经分支及结缔组织膜顺序剪断,将神经一直游离到腘窝处。
在准备好将整个标本剪下前,可不急于将神经完全游离,使神经处于动物肢体组织的湿润环境中,可最大程度保护神经并节约任氏液。
-
游离腓肠肌
分离腓肠肌的跟腱,用线结扎,自结扎线外、跟腱的附着点剪断,提起跟腱,将腓肠肌分离至膝关节处。用金冠剪将胫腓骨于膝关节以下约1.5cm处剪断,弃去下段及足部,自膝关节处剪掉股骨和大腿部位所有肌肉,将胫腓骨上的肌肉刮干净。
四. 标本兴奋性检验
用任氏液润湿锌铜弓,轻触标本中神经的中枢端,若观察到肌肉明显收缩,说明标本活性足够。
准备好的标本应始终用任氏液润湿,以保持其活性。
实验2 骨骼肌实验
一. 标本与仪器的连接
将标本胫腓骨固定在屏蔽盒内的肌槽上,结扎跟腱的线通过大头针与张力换能器相连,神经置于屏蔽盒内刺激电极上,用任氏液保持标本湿润。刺激线接记录系统的刺激输出,张力换能器信号输出端接记录系统的1通道。
二. 刺激强度与肌肉收缩的关系
打开记录系统主机、计算机,将桌面上的“RM6240E2.6”软件打开,并从“实验”中找到“肌肉神经实验-刺激强度对骨骼肌收缩的影响”。
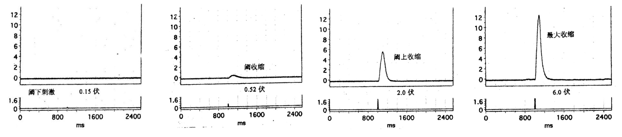
在刺激器窗口中选择刺激为单刺激(或强度递增刺激),点击开始示波、开始记录,从零开始逐渐增加刺激强度(V),找出引起肌肉收缩的最小刺激强度(阈强度),增大刺激强度,观察刺激强度与收缩曲线高度(收缩幅度)的关系。继续增大刺激强度,当肌肉收缩曲线的幅度不再随刺激强度增大而增高时,记下最大刺激强度。
通常在首次测试时使用强度递增刺激模式,用以确认仪器设置及各条件是否正确,能否在合理的范围内引发肌肉收缩。
三. 刺激频率与肌肉收缩的关系
选择“刺激频率对骨骼肌收缩的影响”实验,将刺激模式改为连续单刺激(或频率递增刺激),在阈刺激强度和最大刺激强度之间选择一个合适的强度固定不变(略大于阈刺激强度即可),将刺激频率从1Hz开始逐渐增大(一般不超过50Hz),观察记录收缩形式的变化,分别记录可使肌肉出现分离单收缩、不完全强直收缩、完全强直收缩时的刺激频率及相应曲线。
推荐使用连续单刺激模式,手动设置各次实验的刺激频率,以减少肌肉受刺激的总时程,并为其提供休息的时间,保护标本。
实验3 神经实验
一. 制备坐骨神经标本
若神经长度足以搭过屏蔽盒中所有电极,则将神经从腘窝处结扎,于结扎线远端剪断即可。若神经长度不够,将坐骨神经在腘窝处的两条分支(胫神经和腓神经)剪去任一分支,继续分离留下的另一分支,直至脚跟端。用线结扎,在结扎线的远端剪断神经,保留一小段线头(约1cm)。将完全游离的坐骨神经干置于盛有任氏液的小烧杯(或平皿)中备用。同法分离另一侧坐骨神经干备用。
二. 标本放置与电极连接
将神经干标本置于标本屏蔽盒内,使神经干与刺激电极、接地电极、引导电极均接触良好。盖好屏蔽盒盖。刺激电极与记录系统的刺激输出相连,引导1接1通道,引导2接2通道。
三. 测量双相动作电位
打开系统软件,选择神经干动作电位实验→自动弹出刺激器→调节刺激为单刺激→调节刺激强度→开始刺激→记录波形,辨别刺激伪迹和动作电位。
刺激伪迹:刺激器发放的刺激本身被记录电极记录到而产生的痕迹,过大时可遮盖动作电位,影响记录。
四. 测定传导速度
选择神经冲动传导速度实验→开始刺激。选择实验软件的传导速度测量工具,选择手动测量,测量引导电极1、2之间坐骨神经干的长度并填入,注意单位。在记录上手动选择两个动作电位的参考线,程序将自动计算神经冲动的传导速度。
后续分析时,考虑到手动测定存在误差,推荐多次测量取平均值。
注意:在取动作电位的参考线时,应选取同一标准,例如对两个动作电位均取正向波的起始部分与基线的交点,避免误测。
五. 不应期的测定
选择不应期自动测定实验→开始刺激→page up/page down(或子文件左右键)看相关波形→保存曲线。
计算坐骨神经兴奋的相对不应期和绝对不应期。
注意事项
- 在制备标本时,避免过度牵拉神经,不可用手或金属器械触碰神经干。
- 避免动物皮肤分泌物(体液、血液等)污染神经和肌肉,也不要用水冲洗,以免影响组织机能。神经周围的结缔组织要剥离干净。
- 腓肠肌与换能器的连接松紧适当,连线要垂直。
- 神经干要伸直,与各电极良好接触,防止弯曲、折叠和粘附。
- 用刚能使神经干产生最大动作电位的刺激强度刺激神经。以免强度过大,对标本产生难恢复的损伤。
- 位于刺激电极和记录电极外侧端的神经干及棉线要尽量短,不可与盒底接触,更不要缠绕在电极上。
- 每改变一次刺激频率后,应休息0.5~1min, 每次刺激不要超过3~4s,以免标本疲劳。
- 实验过程中应常用任氏液润湿标本,以免影响神经和肌肉活性。
- 实验要迅速,以免时间过长影响标本活性(兴奋性)。
常见问题
一. 实验技术与标本状态
-
双毁髓很长时间动物仍处死不彻底
确认毁髓针准确插入枕骨大孔并深入椎管。插入后应尽可能多次旋转或上下摇动毁髓针,确保脑部与脊髓被充分破坏。
毁脑部时,可靠近听探针搅动的声音,如果听见与骨结构刮擦的声音,说明位置很可能正确。
毁脊髓时,探针第一次插入椎管时一般阻力很大,需要缓慢旋转推进,同时动物下肢会随探针推进出现明显的颤动,这是一个标志性的现象。如果推进阻力过小,且未观察到下肢颤动,则可能探针插入位置有误,应拔出探针后再次尝试插入。
-
枕骨大孔位置不好确认
用拇指和食指捏住蛙的头部,使其头部前屈,此时头骨与脊柱连接处的凸起(寰椎)后方会出现一个明显的横向凹陷,此处即为枕骨大孔。
-
双毁髓时动物大小便失禁
属于正常现象。避免将动物直接置于桌面上方(下面无蛙板、废液缸等),以免污染操作台。
-
坐骨神经有很多分支,该如何处理?
使用玻璃分针将主干神经与结缔组织进行钝性分离,如果遇到无法避开的细小神经可以小心的用眼科剪剪断,注意全程不要破坏或牵拉到主干神经。
也可以在剥离过程中先不处理分支,将标本整个取下后,按需去除不需要的分支。
-
标本活性较低
不同标本在不同条件下的活性可能本身即有不同,除非活性太低以至于显著影响了记录,活性稍低一般不会明显影响实验。
刚制好的标本活性可能不稳定,最好在任氏液中多浸润一段时间。
如果实验过程中观察到标本活性下降,反应减弱,通常与标本疲劳相关。注意在每次发放刺激后都给予一段恢复时间,及时滴加任氏液润湿标本,避免每次刺激强度过高或持续时程过长。
-
实验过程中肌肉标本出现不规律的抽搐
兴奋性不稳定所致。刚分离出的标本最容易出现此种现象,此时可不急于将标本固定在屏蔽盒上,用任氏液多清洗标本几次,静置一段时间再继续实验。一般这种现象不会过于影响实验。
-
刺激伪迹过大,影响观察
本实验器具当中,刺激电极与记录电极距离较近,刺激伪迹本就不易消除。不需要太过执着于消除刺激伪迹,只要不严重影响实验即可。
每次实验前,应用滴管吸走神经上多余的任氏液,避免有液体将不同电极相连,减少电流扩散。同时如果神经分支太多,或其上有未剥离干净的结缔组织,也有可能对电流传导产生影响。可剪除不必要的分支,尽量将神经表面包覆的其他组织剥离干净再进行实验。
二. 软件操作
本部分来自实验报告写作指导,为方便参考,在此处也放一个稍微修改后的版本。
-
实验过程中看不到曲线
注意检查视图的上下方位以及比例尺。
调整上下方位:鼠标指针放在图最左侧的灰色区域(可见指针变成一只手的形状),上下滑动鼠标滚轮。
调整比例尺:选择软件视图上方工具栏中的缩放工具,按需放大(左键)或缩小(右键)横纵坐标的比例尺。使用完毕后,按Esc键即可取消使用。

-
忘记记录每段刺激的参数了,怎么办?
不需过于担心,系统有自动记录功能,但不要全信,因为有的记录,比如刺激频率的记录可能有误!
显示刺激参数的方法:点击软件左上角的“选择”左侧下拉菜单,查看“显示刺激标注”选项卡,选择需要显示的参数。参数将显示于每段刺激最下方标注的旁侧。

当然,由于开头所述的原因,对于可以手动测量的参数(例如刺激频率,可通过测量刺激时间间隔来确认),推荐使用下述的手动测量功能进行二次确认。
无论如何,最佳选择是一开始就做好记录!
-
如何准确地测定曲线振幅/时程?
可以采用移动测量和区域测量两个工具实现。
移动测量:在软件视图上方工具栏中点击移动测量工具,选择其选项卡中的“绝对移动测量”选项。

选择后,曲线上将出现一个随鼠标移动的十字标记,并在左上角实时显示当前位置的时间与未调零的绝对数值。下图以单收缩实验为例。

点击鼠标左键,系统将自动打标并给出数值。

需要注意的是,绝对移动测量的数值大小(如这里的张力)是未调零的值。如用该工具进行测量,需要自行测量基线数值,用于处理数据时计算振幅。为减少计算量,也可以使用相对移动测量工具,除需要手动选择基线之外,其他操作与上基本相同。
区域测量:在软件视图上方工具栏中点击区域测量工具。

选择希望测量的区域的范围,方式为分别点击起始位置与终止位置。点击时,系统将用一个竖直线标记出范围。

选择范围后,系统将自动计算各参数并弹出数据板。(结果为下图数据板中第二行)

在通常实验中,最常用的参数包括:
区域时间:选中区域覆盖的时间。
最小值:该区域内曲线最低点对应的记录值。可以作为基线使用。
最大值:该区域内曲线最高点对应的记录值。可以作为峰值使用。
峰峰值:最大值与最小值之差。可以视为波形的振幅。
利用这些参数即可方便地计算波形的振幅、频率等。
工具使用完毕后,按Esc键即可取消使用。
-
软件界面的标志线太多了,作图不美观,怎么办?
点击软件界面上方工具栏中的去除标志线工具,即可一键清除所有标志线,但不会影响使用标志线测量出的数据。去除标志线工具的右侧就是数据板,可以随时查看。

思考题、参考与拓展内容
一. 选做内容
- 不同引导方向的动作电位观察与记录:调换引导电极正负极的位置,观察动作电位波形有无变化,以及改变标本放置位置后,波形有无变化。
- 单相动作电位观察与记录:将两引导电极之间的神经夹伤或剪断,观察动作电位变化。
二. 思考题
- 制备坐骨神经腓肠肌标本前为什么要完整破坏神经中枢?
- 设计实验观察不同强度的连续刺激对强直收缩形式的影响。
- 试设计实验测试腓肠肌的不应期,并与神经干不应期进行比较。
- 设计实验,观察刺激腓肠肌与刺激支配腓肠肌的神经其不应期有何不同。
- 设计实验,观察其他神经干或神经纤维的传导速度。
- 设计实验,观察普鲁卡因对不同神经干传导速度的影响。
- 坐骨神经-腓肠肌标本还能用来做哪些研究?
三. 参考资料
- 生理学实验指导.魏香、谢佐平、苏付荣,编著.清华大学出版社,2005.
- 生理学实验指南. 项辉、龙天澄、周文良,主编.科学出版社,2008.
- 生理学实验(第四版).谢景田、刘燕强、崔庚寅,主编.高等教育出版社,2016.
- 生理学(第二版). 姚泰,主编. 北京:人民卫生出版社,2010.
